2YRS
JATO PRECISION INDUSTRIES INC.
Products
BZI Collet Chuck
Cylin-Intwgrated Collet Chuck
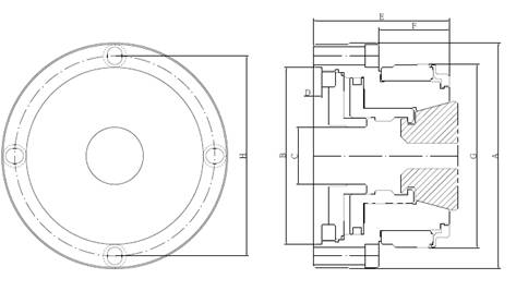
CHP206-SS42
CHP206-SS42 Hydro Collet
For Rotary Tables/Indexing Tables
Product Features
◢ Work with rubber collet
◢ Use Special O-ring from Trelleborg
◢ Parallel Clamp with over 1.5mm range
◢ Really fast collet change with wrench
◢ Hydro operated,powerful force with compact body
Specification






